안녕하세요!
이번에는 제가 업무를 수행하다가 공부한 부트스트랩 회로(Boot strap circuit)에 대하여 작성하고자 합니다.
글의 순서는 아래와 같습니다!
1. 부트스트랩이란?
2. 동작 원리
3. 결론
1. 부트스트랩이란?
부트스트랩(Bootstrap)회로는 출력 스위치의 상층(High side)에 있는 FET의 Gate-source에 전원을 인가해주기 위해 사용되는 회로 입니다.
아래 사진에서 볼 수 있듯이 High side FET의 Gate-Source에 전압을 인가하기 위해서는 Source 단보다 Gate의 전압이 높아야 합니다.
일반적으로 우리가 알고 있는 FET의 Gate-Source단 중 Source가 GND인 것은 Low side의 것 입니다.

그러면 High side에 Source 단은 GND가 아니고 +단에 위치해있습니다. 따라서 FET를 turn on 시키기 위해서는 +의 Source 단의 전압보다 높은 전압을 Gate에 인가하면 됩니다..
위의 회로 처럼 간단하게 High side 측 Gate-Source에 전압을 인가하면 되지만 현실적으로 간단하지 않습니다.
그렇기 때문에 부트스트랩 회로를 사용하는 것 이지요!
부트스트랩에 대한 이론은 많은 고수분들과 여러 사이트들에 있기 때문에 저는 한 Gate driver를 사용하여 부트스트랩의 동작을 알아보도록 하겠습니다.
제가 사용하고자 하는 Gate driver는 INFINEON의 AUIR21811STR입니다!

해당 소자의 datasheet는 인터넷에 검색하시면 쉽게 보실 수 있으십니다.
Gate driver의 소자가 거의 비슷해서 다른 소자들을 사용해도 문제 없을 것입니다.
2. 동작 원리
그러면 지금부터 Gate driver에 외부 회로로 있는 Bootstrap의 동작 원리를 살펴보겠습니다!
단계는 총 3가지이며 이 단계가 계속 반복되면서 동작을 하게 되는 회로 입니다.
아래 그림은 High side FET에 연결된 Gate driver와 bootstrap 회로입니다.
입력은 12V이고 +라인에 FET가 연결되어 해당 FET를 turn on/off 진행해야하는 회로에요. 보시면
아래 그림처럼 아직 아무 입력도 없는 그림입니다. 이제 동작 시 Q에 high 신호가 나오면 Q^-(뭐라 표현해야할지 모르겠네요)는 low가 나오는 구조입니다. 그러면 다음 그림으로 넘어가 볼게요!

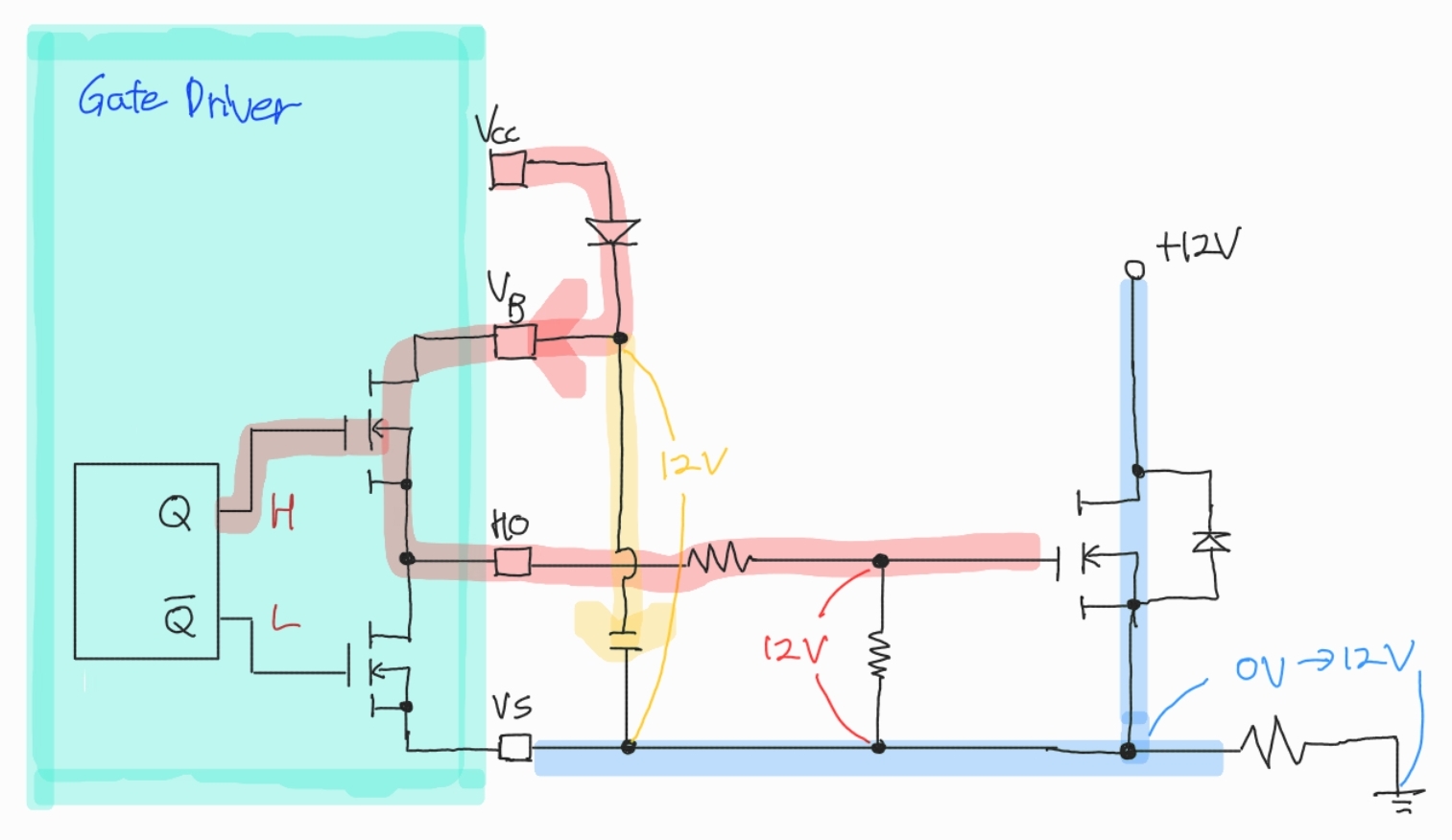
2-1) Gate dirver 내부 신호(Q : High / Q^- : Low)
아래 사진은 Q에 high 신호가 인가되고 Q^- 신호에는 low가 인가되었을 때를 나타냅니다.
Q에 high가 입력되어 Gate driver 내 상단 FET가 turn on되었고 하단 FET는 turn off 상태입니다.
Gate driver 내 상단 FET가 turn on 되어 Vcc의 전압이 빨간색 라인(화살표)로 전압이 인가되게 됩니다.
Vcc 전압이 외부 FET gate-source에 인가되어 외부 FET는 turn on이 됩니다.
그리고 여기서 bootstrap 회로의 capacitor에 12V가 인가되어 충전됩니다!(외부 FET gate와 VB가 같은 라인이기 때문)
동시에 외부 FET가 turn on 되어 출력단 전압이 0V --> 12V로 증가하게 됩니다.
그러나 출력단 전압이 증가한다는 것은 외부 FET의 source 단의 전압 또한 0V --> 12V로 증가하는 것 입니다.
(*Bootstrap 회로가 없다면 FET Gate 전압과 Source 전압에 외부 FET를 turn on 시킬 수 없는 전압까지 내려가므로 FET가 off되게 됩니다.)

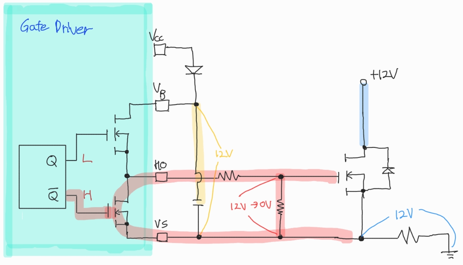
2-2) Gate dirver 내부 신호(Q : Low / Q^- : High)
아래 그림은 위의 그림과 반대로 Q가 low이고 Q^-가 high인 경우 입니다.
Q^-가 high가 되어 Gate driver의 하단 FET가 turn on이 됩니다. Gate driver의 하단 FET가 turn on되면서 외부 FET의 Gate-source에 인가되었던 Vcc 전압은 0V로 방전되게 됩니다. 그러면 외부 FET가 turn off되어 회로가 끊어지게 됩니다.
하지만 이때! VB와 VS에 연결되어 있던 Capacitor에 충전된 전압은 유지하게 됩니다.
아래 그림을 보면 Capacitor에 충전되어 있는 12V가 따로 방전될 경로가 없는 것을 알 수 있습니다.

2-3) Gate dirver 내부 신호(Q : Low / Q^- : High)
아래 사진은 다시 Q가 high, Q^-는 low가 되었을 때 입니다.
Q가 high가 되어 다시 Gate driver의 상단 FET가 turn on되고 충전되어 있던 Capacitor가 외부 FET의 gate-source로 인가되게 됩니다.
해당 Capacitor는 GND와 연결되지 않고 VB와 VS사이에 연결되어 있던 것을 알고 계시죠?
그래서 GND와 관계없이 VB와 VS 사이에 독립적으로 12V가 인가되어 있습니다.
그렇기 때문에 외부 FET의 source가 12V이여도 gate-source에는 capacitor의 전압인 12V가 인가될 수 있는거죠.
실제로 Gate-GND로 전압을 측정하면 24V가 측정되는 것을 볼 수 있습니다.

3. 결론
위의 단계가 반복하여 high side FET Gate-source에 전압을 인가할 수 있게 되는 회로가 bootstrap회로 입니다.
해당 회로는 실제 여러 전력전자 회로에 사용되고 있습니다.
사실 해당 회로는 기본적이고 간단한 회로지만 저와 같은 초보자에게는 해당 이렇게 직접 그리고 글을 써서 정리하는게 좋을거라고 생각해서 글을 남깁니다.
(동시에 저와 같이 bootstrap 회로에 고민을 갖고 계신 분들에게 조금이나마 도움이 된다면 너무 뿌듯할 것 같네요!)
내용이 부족 할 수도 있고 틀린 부분이 있을 수도 있습니다! 이 회로에 대해 잘 아시는 분이 해당 글을 보고 피드백 주신다면 너무 감사할 것 같습니다!
긴 글 읽어주셔서 감사합니다.
'전기전자 배우기' 카테고리의 다른 글
| 온도를 측정할 수 있는 NTC 소자 및 회로의 시뮬레이션(MURATA simulation) (0) | 2023.05.26 |
|---|---|
| 고전압에 사용 가능한 전류센서 AMC1301-Q1 데이터시트 리뷰 (0) | 2022.10.28 |
| 매트랩으로 PWM 파형 만들기 (0) | 2022.09.15 |
| 전압레귤레이터에 대해 알아보기(제너다이오드를 사용한) (2) | 2022.08.12 |